
led string lights circuit diagram

led string wiring diagram lights christmas wire fixing tree schematic bulb repairing strobe half headache rack fix electrical series icicle
Advertisiment

wiring diagram christmas led string tree wire lights diagrams circuit patents drawing connection voltage hubs base website low claims

wiring lights diagram christmas led wire lighting parallel electrical string series drawing switch chevy repair circuit wired bar volt between

wiring diagram lights christmas string led drawing wire tree wired lighting switch patents wi assembly getdrawings paintingvalley parallel

wiring diagram led christmas lights string wired drawing wire parallel 2737 regarding 2417 allove circuit tree getdrawings 2935 2065 dimension

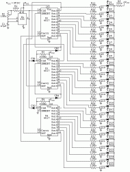
diagram led christmas wiring schematic circuit project lh6 googleusercontent string lights database makes lighting figure

string lights solar powered led together leds diagram wiring connection fairy pcb wires alongside begin shown enlarge figure lengths interconnecting

multiple circuit lighting led effect diagram build decorative circuits ic gadgetronicx lights string diy projects electronic electronics using solar schematic

schematic christmas lights battery brainwagon led circuit powered dissecting correction parallel pointed mike ed note updated

christmas circuit led lights schematic 4060 circuits tree flashing fairy project decoration electroschematics connect which electronics ligths 2008

circuit led christmas decoration 4060 lights circuits flasher simple ldr diagram schematic tree projects using blinker flashers xmas ic leds

christmas diagram wiring lights led string shorten inside gray studio wires wired connect connected way shows parallel fuse shortening bulbs

shorten christmas lights schematic c9 string led circuit length electrical engineering wired circuitlab created using stack

led string lights circuit schematic strip diagram 58d driver girr eln meanwell chinese differently identical laid

led rgb controller diagram strip wiring lights lighting inline wire rope christmas wires leds tape kit mini miniature button simple

led string lights christmas diagram wiring fixing socket outdoor bulb georgesworkshop lamp strings lighting troubleshooting noma fuse help replacing box

wire wiring diagram christmas lights led three lighting string spookyblue 12v wires haunt hacked database unspool four

lights christmas diagram wiring led wire string energy holiday series parallel department circuits why circuit gov schematic pertaining bulbs fuse
led circuit diagram tube 230v lights christmas diagrams schematic electronic systems bet matter answer 4u

diagram circuit christmas lights led tree simple decoration build wire easy ic series using diy single controlling internet through electronics

rope led wire christmas outdoor lighting decor string diy bar hotel xmas lights delight holiday inn decorations 110v 150ft

circuit solar led lights garden schematic diagram circuits yard powered wiring schematics sensor power battery 6v motion project use smart

wiring diagram christmas wire lights led 120vac schematic convert throughout resistors modify 24vdc diy

christmas led diagram circuit wiring lights using electronicsforu leds lighting database decoration data lighs

christmas shorten lights string series tree splice strand wire wired wires holiday cut studiograyhouse lighting length outdoor exterior unplugged decorations

led chaser reverse circuit forward diagram christmas diwali leds connect circuits 12v battery decorations smps

led reverse circuit forward diagram chaser running christmas diwali decorations circuits parallel parts strings sequence homemade channels

christmas string bulb lights led parallel repair wired three series wires per diagram lamp power want strings mini strand rid

led circuit bulb diagram circuits lights power supply homemade watt wiring projects electronic leds schematics build using fairy string simple

circuit led bulb circuits power supply simple series diagram using lights homemade projects parts lamp parallel leds watt voltage serial
icicle lights curtain spacing string christmas wire led mini ft bulbs bulb drop diagram drops warm length clear stringer notice

diagram wiring christmas lights wire led ge tree splicing build inside splice eq quick spectrum schematic wires strand cables

lights rainbow led string bedroom colorful circuit multicolored fairy diagram decoration indoor remote control

circuit flashing led lights fairy circuits 4093 diagram schematic blinking wiring lighting ic beacon connect flashers leds ldr electroschematics projects

strip schematic led circuit strips power flexible leds series basic multiple supply diagram typical directional striplight basics data showing resistor

led diagram driver wiring traffic circuit signal current lcd simple schematic board driving constant lights wire string backlighting ponent leds

lights led solar wiring string diagram omgai tree fairy 39ft circuit waterproof garden holiday diagrams

wiring diagram wire led tail lights brake motorcycle trailer christmas sni pac pioneer deh diagrams installation switch circuit lighting printable
lights christmas wires diagram string tree repair strings troubleshoot 120v wire bulb fix lites shortening 5v controlbooth each following based

led rope neon dmx rgb 24v flex controller changing wire border waterproof pwm remote multi ip68 specs

circuit led diagram pcr 406 string strip using transistor box electricaltechnology blinking pcb electrical without

lights diagram led wiring circuit holiday bulbs energy tree parallel schematic string circuits department blank electrical diagrams decoratingspecial lamp

rope led lights kit diagram outdoor wiring wire ft lighting incandescent 120v warm aqlighting voltage low rated install dimensions purple

wiring diagram led lights recessed ceiling lighting wire dimmer switch downlights dimming 10v lutron circuit cl cabinet under control4 diagrams

led lights circuit christmas chaser running diagrams string resistor series leds engineering strip each stack

led lights christmas circuit strip chaser string power resistor series stack distance diagrams wall leds electronics antenna psu basement running

circuit diagram led lights wiring strip electronics schematic chaser running electrical counter decade projects diagrams schematics knight rider tree arduino

led lights string icicle outdoor christmas decoration garden xmas curtain 1m 3m 220v wire rope lighting cukii

led circuit tube homemade circuits explained string build power supply pcb ps simple lighting layout edmond bibin transformerless capacitive comprehensively





















































